27

本产品被浏览27次
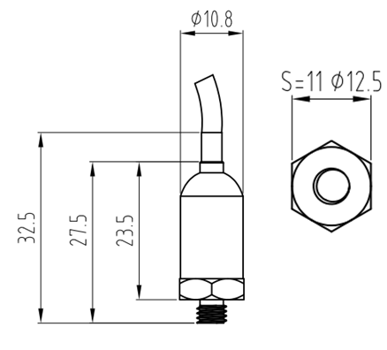
技术指标:
| 测量范围 | ±g | 50000 |
| 轴向灵敏度 | pC/g | 0.2 |
| 频率响应 | Hz | 5-12K |
| 谐振频率 | Hz | ≥60K |
| 横向灵敏度 | % | <5 |
| 幅值线性 | % | ≤4 |
| 绝缘电阻 | Ω | ≥1011 |
| 使用温度 | ℃ | -50~120 |
| 冲击极限 | g | 70000 |
| 配接方式 | / | 电荷放大器 |
| 壳体材料 | / | 不锈钢 |
| 密封形式 | / | 激光焊接 |
| 感应元件 | / | 陶瓷 |
| 结构形式 | / | 剪切 |
| 安装方式 | / | M5 |
| 输出方式 | / | 顶端整体 |
| 外形尺寸 | mm | Φ13*34 |
| 重 量 | 克 | 12 |
| 与地绝缘 | / | 是 |
标配:高温低噪声电缆线1米,整体输出,L5、检测报告、合格证
选配:定制安装座、工程箱
规格尺寸:








