XZ00335多维动态力传感器

本产品已浏览68次

技术指标:

测量范围kNFz±5
Fx、Fy±2.5
灵敏度pC/NFz~3.8
Fx、Fy~7.8
谐振频率KHz>30
非线性%FSO≤1
重复性%FSO≤1
绝缘电阻Ω>1013
使用温度-40~120
允许过载%120
配接方式/电荷放大器
壳体材料/高强度不锈钢
密封形式/激光焊接
感应元件/石英
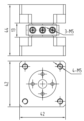
安装方式/8-M5 (32*32)
输出方式/3-L5
外形尺寸mm42*42*44
重    量千克~0.4

标配:电缆线(1米,L5/L5)、检测报告、合格证
选配:安装夹具(定制)、工程箱

尺寸孔位: